A wide range of instantaneous speed measurement accuracy of high speed sensor Schematic diagram.
A speed sensor is a sensor that converts the speed of a rotating object into a power output.
The speed sensor is an indirect measuring device that can be manufactured by mechanical, electrical, magnetic, optical and hybrid methods. According to the different signal form, the speed sensor can be divided into analog and digital, sample as below:

The output signal value of the analog speed sensor is a linear function of the rotational speed, and the output signal frequency of the digital speed sensor is proportional to the rotational speed, or its signal peak interval is inversely proportional to the rotational speed.
The wide variety and wide range of speed sensors is due to the extensive use of a wide range of motors in automatic control systems and automation instrumentation, and strict requirements for accurate measurements of low speeds (such as one turn per hour), high speeds (such as hundreds of thousands of revolutions per minute), steady speeds (such as errors only) and instantaneous velocities in a number of situations. The commonly used speed sensor has photoelectric type, capacitance type, variable reluctance type and speed measuring generator and so on.
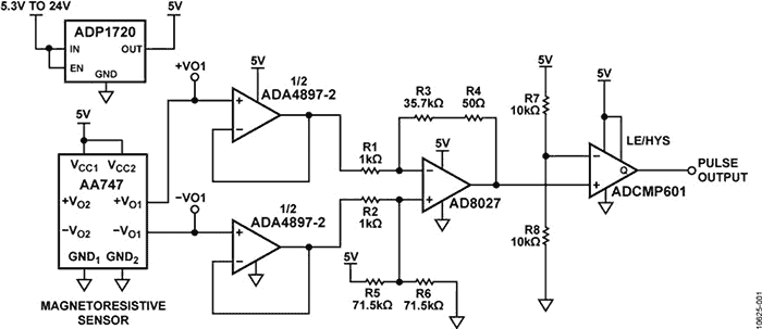
Schematic diagram of the speed sensor as below:

Introduction
A high speed sensor is a type of transducer that can detect and measure high speed motion, vibration or rotation and convert it into an electrical signal for data acquisition and analysis. High speed refers to frequencies above 10 kHz in most applications. These sensors play a vital role in studying high frequency dynamic phenomena in fields like structural health monitoring, machine condition monitoring, automotive industry, avionics etc. The high sampling rate is necessary to capture enough data points for accurate detection and measurement.
Some common applications of high speed sensors include:
- Vibration and modal analysis of structures like buildings, bridges, aircraft wings etc.
- Monitoring blade tip deflections in gas turbine engines of jet aircraft.
- Engine knocking detection in automotive engines.
- Monitoring machine tool vibration in manufacturing industry.
- Studying effects of explosions and impacts.
- Monitoring pressure fluctuations in fluid flow systems.
- Studying acoustic emissions in materials.
This article provides an overview of different types of high speed sensors, their working principles, key specifications, instrumentation for high speed data acquisition and analysis. Circuit schematics are also included for common sensor interfaces.
Types of High Speed Sensors

Some common types of sensors used for high frequency measurements and their typical frequency ranges are given below:
Accelerometers
They measure acceleration and vibration. Useful frequency range – 0 Hz to over 50 kHz. Common technologies:
- Piezoelectric – Up to 50 kHz
- Piezoresistive – Up to 20 kHz
- Capacitive MEMS – Up to 50 kHz
- Force balance – Up to 5 kHz
Velocity sensors
Measure velocity of motion directly. Useful frequency range – 0 Hz to 20 kHz. Common types:
- Moving coil velocity sensors
- Geophone – 1 Hz to 250 Hz
- Laser Doppler Vibrometer – Up to 1 MHz
Displacement sensors
Measure displacement and position directly. Useful frequency range – 0 Hz to 20 kHz. Common types:
- LVDT – Up to 2 kHz
- Eddy current sensors – Up to 10 kHz
- Capacitive and inductive sensors – Up to 50 kHz
Pressure sensors
Measure dynamic pressure. Useful frequency range – 0 Hz to >100 kHz. Types:
- Piezoelectric dynamic pressure sensors
- Fiber optic sensors – Up to 100 kHz
Force sensors
Measure dynamic force. Useful frequency range – 0 Hz to 50 kHz. Common types:
- Piezoelectric load washers – Up to 30 kHz
- Strain gage load cells – Up to 5 kHz
Motion encoders
Measure speed, position, rotation angle. Useful frequency range – 0 Hz to 50 kHz. Types:
- Optical incremental encoders – Up to 50 kHz
- Magnetic encoders – Up to 10 kHz
Acoustic emission sensors
Measure high frequency stress waves. Useful frequency range – 20 kHz to 1 MHz. Types:
- Piezoelectric sensors
- Fiber optic acoustic sensors
High Speed Sensor Specifications

Some key specifications of high speed sensors are:
- Frequency response – The sensor should have a flat frequency response over the measurement bandwidth.
- Sensitivity – Amount of electrical signal output per unit of measured parameter. Higher sensitivity allows resolving smaller signals.
- Resolution – Smallest detectable change in the measured quantity.
- Dynamic range – Ratio of the maximum to minimum measurable quantity. Wider dynamic range allows measuring both small and large signals.
- Phase response – Minor deviations from the ideal 0ยฐ or 180ยฐ phase are acceptable. Large phase errors make data analysis difficult.
- Noise – Should be low for resolving small signals. Critical for high resolution measurements.
- Non-linearity – The output should have a linear relationship with the input. Non-linearity causes measurement errors.
- Crosstalk – Signals from one axis should not affect other axes. Important for multi-axis measurements.
- Temperature range – Sensor should perform well over required operating temperature range.
- Size and weight – Important if sensor has to be mounted on structures which have weight and space constraints.
Instrumentation for High Speed Data Acquisition
The sensor output has to be captured by appropriate data acquisition hardware for analysis. Important parameters:
- Sampling rate – Must be high enough to avoid aliased spectra according to Nyquist criteria. For frequencies up to 50 kHz, 1 MHz sampling rate is usually sufficient.
- Resolution – Analog to digital converter (ADC) resolution between 16 to 24 bits preferred. Lower resolution limits dynamic range.
- Bandwidth – Data acquisition system analog bandwidth must be higher than maximum sensor frequency.
- Number of channels – Important if using multiple sensors for modal testing, NVH testing etc. 8, 16, 32 channels systems common.
- Signal conditioning – Amplification, filtering required to match sensor output to ADC input range.
- Antialiasing filter – Low pass filter before ADC to prevent aliasing.
- Data transfer speed – Must be fast enough to stream data to processor memory from high sampling rates.
- Triggering – Required to start data capture at specific events. Important for transient events like impacts.
- Data acquisition software – Manages hardware settings, data streaming, storage and analysis features.
High Speed Sensor Interfacing Circuits
Some common sensor interfacing circuits are shown below:
ICP Accelerometer Interface
ICP (Integrated Circuit Piezoelectric) accelerometers require constant current excitation for proper functioning. The ICP sensor conditioner provides 2-20 mA constant current and converts the sensor output voltage to a low impedance voltage proportional to acceleration. The low pass filter removes frequencies above the sensor range. The amplifier gain is set to match the ADC input range.
AC-Coupled Accelerometer Interface
AC coupled interface is suitable for accelerometers with voltage mode output. The high pass filter blocks the DC component and provides the AC acceleration signal centered around 0V. The gain stage amplifies the signal to match the ADC input range.
Differential Velocity Sensor Interface
Geophone velocity sensors have a differential coil output. An instrumentation amplifier converts this to a single ended low impedance voltage for digitization. The amplifier gain is set based on the geophone sensitivity and ADC input range.
Bridge Sensor Interface
Strain gages, load cells etc. have Wheatstone bridge type outputs. A bridge completion resistor converts this to a differential voltage input for the instrumentation amplifier. The amplifier gain calibrates the output to engineering units like force, acceleration etc.
Potentiometric Displacement Sensor Interface
Potentiometric displacement sensors like LVDTs have a voltage divider output proportional to position. A difference amplifier converts this to a single ended low impedance output representing the displacement. Excitation voltage must match LVDT specifications.
Digital Encoder Interface
Digital incremental encoders provide quadrature TTL/CMOS pulse outputs for position and speed sensing. A high speed counter chip captures and processes the pulses to give position data. The counter resolution and speed determine the measurement resolution.
High Speed Data Analysis
The captured time domain sensor data is processed using digital signal processing techniques for relevant frequency and time-frequency domain information.
Time Domain Analysis
Analysis in time domain involves:
- Plotting sensor output vs. time
- Statistical measures like RMS, peak, crest factor etc.
- Time waveform parameters like rise time, overshoot, settling time
- Time domain averaging for improving signal to noise ratio
Frequency Domain Analysis
- Fourier Transform to get frequency spectrum
- Analyze dominant frequencies
- Compare vibration levels at different frequencies
- Identify resonances
- FFT spectrum averaging for reducing variance
- Order analysis for rotational equipment
Time-Frequency Analysis
- Short Time Fourier Transform (STFT)
- Wavelet Transform
- Understand non-stationary signal characteristics
- Analyze transients and machine start-up data
Modal Analysis
- Extract modal parameters like frequency, damping, mode shapes
- Operational modal analysis techniques
- Finite Element model correlation
- Structural health monitoring
Proper sensor selection, instrumentation and analysis help gain valuable insights from high speed dynamic measurement data.
High Speed Motion Detection Techniques

Detection and measurement of high speed motion has applications in diverse fields including manufacturing, transportation, material testing, biomechanics and more. Some key techniques used for high speed motion detection are:
1. Laser Doppler Vibrometry
- Non contact measurement using Doppler shift of reflected laser beam
- Resolves nano and micron level vibrations up to 10 MHz speeds
- Low noise, high frequency response
- Measures displacement, velocity, acceleration
- Used for MEMS devices, acoustic measurements etc.
2. Stroboscopic Video Motion Analysis
- High speed video camera with stroboscopic illumination
- Motion appears slowed down under strobed light
- Allows visualization of fast periodic motion
- High recording speeds up to 100,000 fps
- Used for speaker diaphragm, rotating machinery motion analysis
3. Photon Doppler Velocimetry
- Measures velocity by light scattered from moving particles in flow
- Provides instantaneous whole field velocity distribution
- Used extensively in fluid mechanics, combustion research
- Velocities up to supersonic speeds measurable
4. Capacitive and Inductive Sensors
- Non contact displacement measurement
- High frequency response up to 100 kHz
- High resolution and sensitivity
- Small and compact for embedded applications
- Used for proximity sensing, precision position control
5. Piezo Film Sensors
- Thin piezoelectric polymer films used as sensors
- Measure stress, strain, vibration, pressure
- Broad frequency range up to 1 MHz
- Highly flexible, can be bonded/embedded
- Used for acoustic emission, structural health monitoring
6. MEMS Inertial Sensors
- MEMS accelerometers, gyroscopes for motion sensing
- Detect acceleration, angular rate, vibration
- High bandwidths up to 50 kHz
- Low cost, small size
- Used in IMUs, condition monitoring, navigation
Proper selection of detection technique is key for successful high speed motion measurement and analysis.
Schematic Diagram of a High Speed Data Acquisition System
A typical high speed data acquisition system consists of sensors, signal conditioning, DAQ hardware, analysis software as shown in the schematic diagram:
- The sensors transduce the high speed physical phenomenon into electrical signals. Different types of sensors can be used based on the quantity to be measured.
- Signal conditioning circuits like amplifiers, filters provide gain, filtering, offset adjustment, common mode rejection etc. to match the sensor output to the DAQ input range.
- High sampling rate DAQ device digitizes the conditioned analog signals via an antialiasing filter and ADC. Synchronized multi-channel capture is enabled by a common clock and trigger.
- Data is transferred over high speed ports like USB, Ethernet to the analysis software on PC. Buffering helps prevent data loss.
- Analysis software has capabilities for time domain waveform display, frequency spectra, order analysis, modal analysis etc. Report generation, data export facilities are included.
Proper schematic design is key for accurate acquisition of high frequency signals and extracting useful information through digital signal processing techniques.
Conclusion
High speed sensors and data acquisition systems enable detailed analysis of high frequency dynamic phenomena that cannot be captured using traditional sensors and DAQ devices. With recent advances, frequencies up to 1 MHz can be reliably measured using MEMS sensors, fiber optic sensors and compact DAQ devices.
Selection of appropriate sensors based on frequency range, operating conditions and output characteristics is vital. Suitable signal conditioning ensures the sensor output is correctly interfaced to the DAQ system. High sampling rates, resolution and bandwidths are essential to avoid aliasing and allow detection of small signals.
Powerful analysis software provides the tools to transform the captured time domain data into useful frequency, order and modal domain information through transforms, spectral analysis and other techniques. This high speed dynamic data is critical for condition monitoring, predictive maintenance, product design validation and other applications.
Frequently Asked Questions (FAQ) related to High Speed Sensors
Q1. What is the key difference between a high speed sensor and a regular sensor?
The main difference is the frequency response. High speed sensors can measure dynamic signals up to 100 kHz and beyond while regular sensors are limited to 1-10 kHz range. High speed sensors use specialized technologies to achieve the fast response required.
Q2. What sensors can I use for high frequency vibration measurement?
Piezoelectric, piezoresistive and MEMS accelerometers are commonly used for vibration measurement in 20 Hz to 50 kHz range. Accelerometers with resonant frequencies up to 500 kHz are available. Optical laser vibrometers can measure up to 10 MHz vibrations.
Q3. What instruments do I need for high speed sensor data capture and analysis?
You need a high sampling rate DAQ device – at least 200 kHz for mechanical vibration measurements. DAQ should have enough analog bandwidth, resolution (16 bits or more) and channels. Software is needed for signal processing, FFT analysis, order tracking etc.
Q4. How do I interface a sensor with voltage output to the DAQ system?
Use a conditioner circuit with gain and filter stages. The gain should amplify the sensor output to match the DAQ input range. Filter out frequencies above the sensor range. Provide excitation if required. Protect sensor from overvoltage.
Q5. Which technique can perform non-contact measurement of high speed periodic motion?
Stroboscopic video motion analysis is ideal for non-contact measurement of high speed periodic motion like speaker cones, fan blades, shafts etc. It uses high speed camera with strobed light source and allows viewing motion in slow motion.